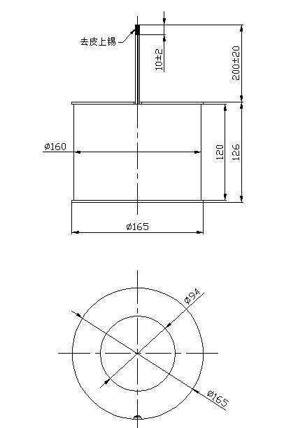
型号:SDL-XQ94126A-24L1.7
产品使用对象:大学磁场研究
产品执行功能:做平行磁场
平等磁场电磁螺线管参数
| 电压: | DC24V | 高度: | 120MM | 电阻: | 1.7欧 | 寿命: | |
| 电流: | 14A | 通电率: | 耐温: | 功率: | |||
| 线圈高斯: | 450GS | 外径: | 160MM |
平等磁场电磁螺线管产品详情
平等磁场电磁螺线管
型号:SDL-XQ94126A-24L1.7
参数
电压:DC24V
电流:14A
高斯:450GS
电阻:1.7欧
高:120MM
内经:100MM
外经:160MM
产品使用行业:大学磁场研究
产品执行功能:做平行磁场
拓展适用行业:自动化设备,大学科研



广州思德隆电子有限公司()创立于2005年,是一家专业生产研发买球官网手机版·(中国)官方网站等各类电磁产品,拥有丰富行业经验的买球官网手机版·(中国)官方网站厂家。品种多样,规格齐全,产品从零部件到成品组装均有自己的加工设备以及产生线,拥有高精密度检测仪器和自主研发的老化设备,已通过(ISO9001认证)专业制造电磁阀线圈从产品设计到样品以及量产,均有量化高效的工艺流程及老化实验检测,保证了产品的质量与订单的按时交货。
关键词:平等磁场电磁螺线管









