48V娃娃机通电抓东西买球官网手机版·(中国)官方网站
发布日期:2017-3-23 来源:思德隆 标签:买球官网手机版·(中国)官方网站定制 浏览次数:9335
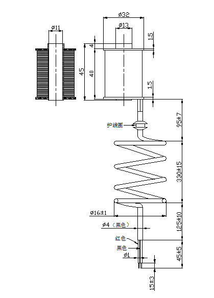
型号:SDL-XQ1140A-48L40
产品使用对象:娃娃游戏机爪子
产品执行功能:通电抓东西
48V娃娃机通电抓东西买球官网手机版·(中国)官方网站参数
| 电压: | DC48V | 高度: | 电阻: | 40欧 | 寿命: | 20万次 | |
| 电流: | 1.2A | 通电率: | 10% | 耐温: | 功率: | 57.6W | |
| 线圈高斯: | 外径: |
48V娃娃机通电抓东西买球官网手机版·(中国)官方网站产品详情
48V娃娃机通电抓东西买球官网手机版·(中国)官方网站
型号:SDL-XQ1140A-48L40
参数
行程:12MM
电压:DC48V
电流:1.2A
初始力:250G
电阻:40欧
功率:57.6W
通电率:10%
寿命:20万次
单次通电时间:5S
产品使用行业:娃娃游戏机爪子
产品执行功能:通电抓东西
产品特点:体积小,力度大



广州思德隆电子有限公司()创立于2005年,是一家专业生产研发联系我们定制加工,电磁阀定制,买球官网手机版·(中国)官方网站,小型联系我们等各类电磁产品,拥有丰富行业经验的广州联系我们厂家、广州电磁阀厂家、买球官网手机版·(中国)官方网站厂家。品种多样,规格齐全,产品从零部件到成品组装均有自己的加工设备以及产生线,拥有高精密度检测仪器和自主研发的老化设备,已通过(ISO9001认证)专业制造48V娃娃机买球官网手机版·(中国)官方网站,通电抓东西买球官网手机版·(中国)官方网站从产品设计到样品以及量产,均有量化高效的工艺流程及老化实验检测,保证了产品的质量与订单的按时交货。
/elinfo-161.html
/coinfo-33.html
/elinfo-162.html
/elinfo-163.html
关键词:48V娃娃机买球官网手机版·(中国)官方网站,通电抓东西买球官网手机版·(中国)官方网站









