按应用分类
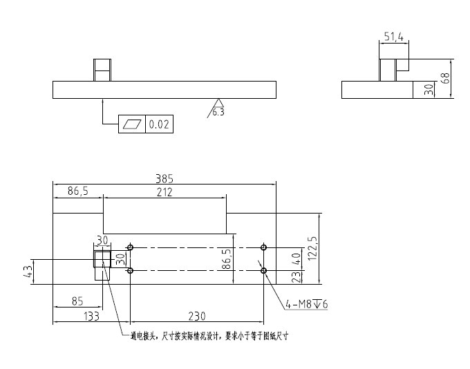
型号:SDL-XP38512330A-24S1.6
产品使用对象:汽车零部件自动化生产线
产品执行功能:机械手
24V机械手吸盘式联系我们参数
| 电压: | DC24V | 行程: | 电阻: | 1.6欧 | 功率: | 360W | |
| 耐温: | 寿命: | 耐电压: | 初始力: | 50KG | |||
| 电流: | 15A | 通电率: | 50% | 弹簧回力: | 吸力: | 50KG |
24V机械手吸盘式联系我们产品详情
24V机械手吸盘式联系我们
型号:SDL-XP38512330A-24S1.6
参数
电压:DC24V
电流:15A
功率:360W
电阻:1.6欧
初始力:50KG
通电率:50%
单次通电时间:10S
使用率1440次/天
环境温度:20度
是否防水:是
是否防油:是
温升要求:65度
产品使用行业:汽车零部件自动化生产线
产品执行功能:机械手
拓展适用行业:自动化设备
产品特点:电流小,温升低;力量大、无剩磁。




广州思德隆电子有限公司()创立于2005年,是一家专业生产研发联系我们定制加工,电磁阀定制,买球官网手机版·(中国)官方网站,小型联系我们等各类电磁产品,拥有丰富行业经验的广州联系我们厂家、广州电磁阀厂家、买球官网手机版·(中国)官方网站厂家。品种多样,规格齐全,产品从零部件到成品组装均有自己的加工设备以及产生线,拥有高精密度检测仪器和自主研发的老化设备,已通过(ISO9001认证)专业制造吸盘式联系我们定制/透镜联系我们从产品设计到样品以及量产,均有量化高效的工艺流程及老化实验检测,保证了产品的质量与订单的按时交货。
关键词:24V机械手吸盘式联系我们
| 上一篇:机器人CNC取料联系我们生产定制 |
| 下一篇:机械手强力无剩磁吸盘联系我们 |






