按应用分类
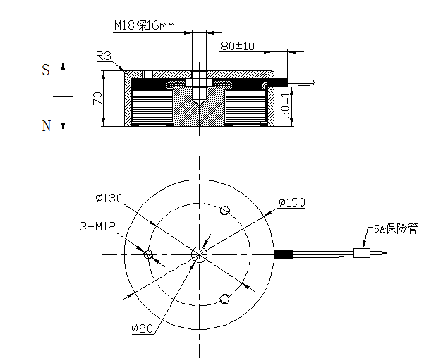
型号:SDL-DYC19070A-24L05
产品使用对象:电永磁吸盘,机械手移位重物吸盘
产品执行功能:移位重物吸盘
机械手电永磁吸盘联系我们参数
| 电压: | DC24V | 行程: | 电阻: | 5欧 | 功率: | 115.2W | |
| 耐温: | 180度 | 寿命: | 耐电压: | 初始力: | 200kgf | ||
| 电流: | 4.8A | 通电率: | 25% | 弹簧回力: | 吸力: |
机械手电永磁吸盘联系我们产品详情
机械手吸盘联系我们,电永磁吸盘联系我们
型号:SDL-DYC19070A-24L05
参数:
电压:DC24V
电流:4.8A
电阻:5欧
功率:115.2W
初始力:200kgf
通电率:25%
绝缘等级:H类
DC24V初始值:
不通电保持力:大于等于200kgf
通电残留吸引力:小于等于30kgf
应用:电永磁吸盘,机械手移位重物吸盘
特点:耐高温180度;可以任意时间吸住物体不放,通电消磁,单次通电最长3分钟. 通36V电压完全消磁,单次通电最长1分钟。被吸物必须是铁、钢类材料或者箱体是铁、钢类材料。 现货供应。



广州思德隆电子有限公司()创立于2005年,是一家专业生产研发联系我们定制加工,电磁阀定制,买球官网手机版·(中国)官方网站,小型联系我们等各类电磁产品,拥有丰富行业经验的广州联系我们厂家、广州电磁阀厂家、买球官网手机版·(中国)官方网站厂家。品种多样,规格齐全,产品从零部件到成品组装均有自己的加工设备以及产生线,拥有高精密度检测仪器和自主研发的老化设备,已通过(ISO9001认证)专业制造机械手吸盘联系我们,电永磁吸盘联系我们从产品设计到样品以及量产,均有量化高效的工艺流程及老化实验检测,保证了产品的质量与订单的按时交货。
关键词:机械手吸盘联系我们,电永磁吸盘联系我们
| 上一篇:深海地质勘探取样器环形电永磁吸盘联系我们 |
| 下一篇:强力电永磁吸盘现货供应 |






