按应用分类
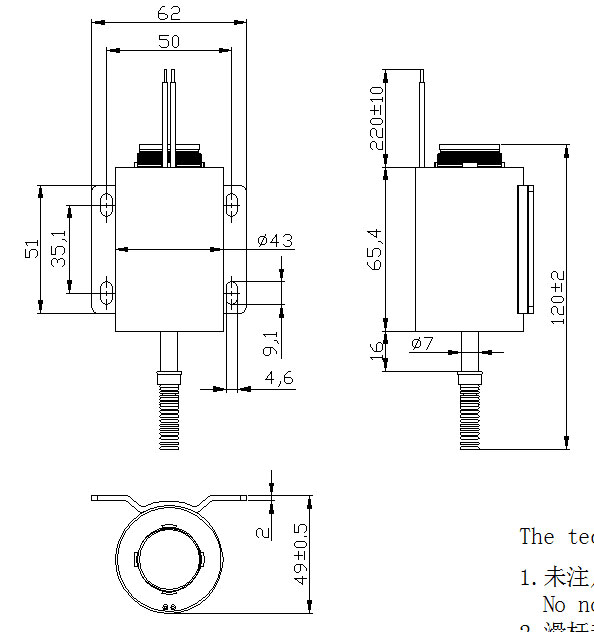
型号:SDL-o1665c-220s66
产品使用对象:游戏机
产品执行功能:撞击珠子
游戏机用强力撞击珠子联系我们定制参数
| 电压: | AC220V | 行程: | 16MM | 电阻: | 66 | 功率: | 733W |
| 耐温: | 寿命: | 100万次 | 耐电压: | 初始力: | 8KG | ||
| 电流: | 3.3A | 通电率: | 5% | 弹簧回力: | 吸力: | 8KG |
游戏机用强力撞击珠子联系我们定制产品详情
游戏机用强力撞击珠子联系我们定制
型号:SDL-o1665c-220s66
参数
行程:16MM
电压:AC220V
电流:3.3A
电阻:66
功率:733W
初始力:8KG
通电率:5%
寿命:100万次
单次通电时间:0.2S
使用率:1000次/24H
反应速度:0.1次/秒
是否防水:否
是否耐油:否
漫长要求:65
产品使用行业:游戏机
产品执行功能:撞击珠子
拓展适用行业:电力开关
产品特点:高寿命,力量大。



广州思德隆电子有限公司(/)创立于2005年,是一家专业生产研发小型联系我们等各类电磁产品,拥有丰富行业经验的广州联系我们厂家、广州电磁阀厂家、买球官网手机版·(中国)官方网站厂家。品种多样,规格齐全,产品从零部件到成品组装均有自己的加工设备以及产生线,拥有高精密度检测仪器和自主研发的老化设备,已通过(ISO9001认证)专业制造游戏机用强力撞击珠子联系我们从产品设计到样品以及量产,均有量化高效的工艺流程及老化实验检测,保证了产品的质量与订单的按时交货。
/elinfo-200.html
/elinfo-199.html
/elinfo-198.html
/elinfo-197.html
关键词:游戏机用强力撞击珠子联系我们定制
| 上一篇:东莞线材刻字机用框架推拉联系我们定制 |
| 下一篇:衣柜锁开关联系我们定制 |






