按应用分类
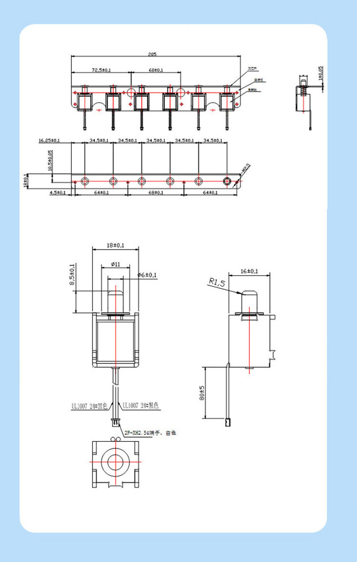
型号:SDL-U0620A
产品使用对象:快递柜
产品执行功能:推拉
快递柜共享设备用联系我们参数
| 电压: | DC12V | 行程: | 3MM、7.5MM | 电阻: | 4欧 | 功率: | 48W |
| 耐温: | 寿命: | 耐电压: | 初始力: | >650GF、>150GF | |||
| 电流: | 3A | 通电率: | 弹簧回力: | 吸力: |
快递柜共享设备用联系我们产品详情
快递柜共享设备用联系我们
型号:SDL-U0620A
电压:DC12V
电流:3A
功率:48W
电阻:4欧
行程:3MM、7.5MM
初始力:>650GF、>150GF
.jpg)
.jpg)
.jpg)
.jpg)
.jpg)
.jpg)
.jpg)
关键词:快递柜联系我们
| 上一篇:共享类联系我们 |
| 下一篇:车灯类联系我们变光机构 |






