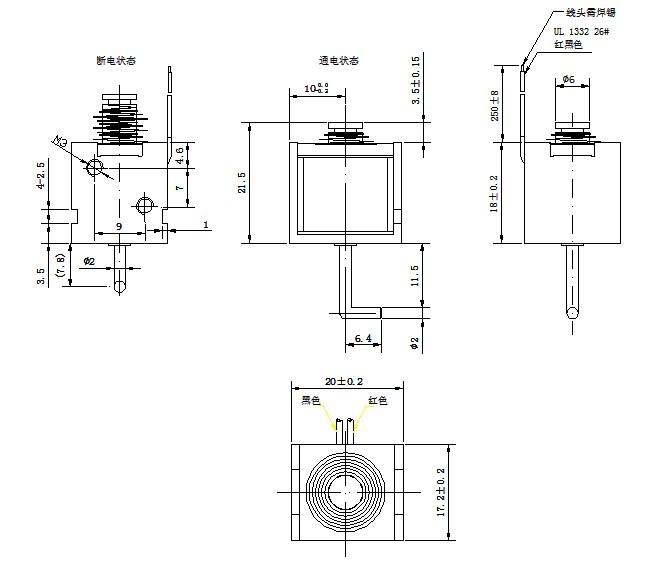
| 电压: | DC12V | 行程: | 电阻: | 功率: | |||
| 耐温: | 寿命: | 耐电压: | 初始力: | ||||
| 电流: | 0.6A | 通电率: | 弹簧回力: | 吸力: |
名称:汽车前大灯联系我们
型号:SDL-U0616A-12S
性能优劣:
1. 联系我们铁芯耐磨,撞击性好,长年使用顶部无损。
2. 铁芯活动灵活,反应速度快。
3. 联系我们的线轴采用美国杜邦材料耐高温耐磨损。
4. 联系我们温升50~220℃其吸力仍稳定安全可靠。
5. 联系我们温升50~220℃其弹簧弹力仍稳定。
6. 联系我们的铁芯不用油浸,使用寿命更长。
7. 联系我们的铁芯运行定位精准。
8. 高频运行时铁芯活动稳定,无抖晃现象。
9. 耐高压可达到1500V~1800V/2MA左右。
10. 联系我们的线圈是采用德国漆包线绕制而成。
11. 联系我们的线圈导电性好、耗电少、发热量低、耐温180℃、最高可达250℃。
12. 制作联系我们使用的所有材料采均采用环保处理,无毒,无污染,安全可靠。
13. 铁芯采用特殊工艺制成。耐磨、撞击性好,长年使用顶部无磨损。
14. 保持式联系我们采用优质磁铁,磁铁吸力稳定,安全可靠。
15. 联系我们支架正常运行800万次以上不脱落。
16. 联系我们在250度高温下运作正常。
17.后有拉钩,可代替Q5联系我们电磁阀,成本低,性能稳定。

.jpg)
广州思德隆电子有限公司()创立于2005年,是一家专业生产研发联系我们,电磁阀,买球官网手机版·(中国)官方网站,小型联系我们等各类电磁产品,拥有丰富行业经验的广州推拉式联系我们定制、电磁阀、买球官网手机版·(中国)官方网站厂家。品种多样,规格齐全,产品从零部件到成品组装均有自己的加工设备以及流水线,拥有高精密度检测仪器和自主研发的老化设备,汽车前大灯联系我们从产品设计到样品以及量产,均有量化高效的工艺流程及老化实验检测,保证了产品的质量与订单的按时交货。
| 上一篇:电子投币器联系我们 |
| 下一篇:绣花机/面膜机联系我们 |






