| 电压: | DC48V | 行程: | 5mm | 电阻: | 192欧 | 功率: | 通1s断1,5s |
| 耐温: | 寿命: | 耐电压: | 初始力: | ||||
| 电流: | 通电率: | 弹簧回力: | 吸力: |
名称:手机按键测试联系我们
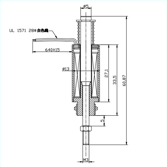
型号:SDL-O0527A-48S192
用于电脑键盘测试,手机按键测试
1、以上参数可根据客户要求定做。
2、外径:13mm
3、总高度:60.87mm
4、联系我们结构小巧,安装方便。
5、联系我们垂吊80g的砝码,通电落下,断电复位。
.jpg)

广州思德隆电子有限公司()创立于2005年,是一家专业生产研发联系我们定制加工,电磁阀定制,买球官网手机版·(中国)官方网站,小型联系我们等各类电磁产品,拥有丰富行业经验的广州联系我们厂家、广州电磁阀厂家、买球官网手机版·(中国)官方网站厂家。品种多样,规格齐全,产品从零部件到成品组装均有自己的加工设备以及产生线,拥有高精密度检测仪器和自主研发的老化设备,已通过(ISO9001认证)专业制造手机按键测试联系我们从产品设计到样品以及量产,均有量化高效的工艺流程及老化实验检测,保证了产品的质量与订单的按时交货。
广州思德隆联系我们应用的领域:
1、家用电器用联系我们:多仕炉用联系我们、面包机用联系我们、咖啡机用联系我们、压力电饭包用联系我们、洗衣机用联系我们、空调用联系我们、洗碗机用联系我们、消毒碗柜用联系我们、饮水机联系我们、微波炉用联系我们、电唱机联系我们、DVD光驱CDROM联系我们、家用喷香机电磁阀等。
2、办公设备联系我们:(打印机联系我们、打卡钟联系我们、复印机联系我们、传真机联系我们、扫描仪联系我们、装订机联系我们、美工切纸机联系我们、计算机机箱控制锁联系我们、喷码机联系我们、喷墨机联系我们、碎纸机联系我们、服装刻绘仪联系我们,服装喷绘仪联系我们,刻字机联系我们,雕刻机联系我们等)。
| 上一篇:微型电脑键盘测试联系我们 |
| 下一篇:电脑提花机联系我们 |






