按应用分类
型号:SDL-U1564A-24S32
产品使用对象:电梯安全装置紧急制动
产品执行功能:推动安全装置部件
电梯安全装置触发联系我们参数
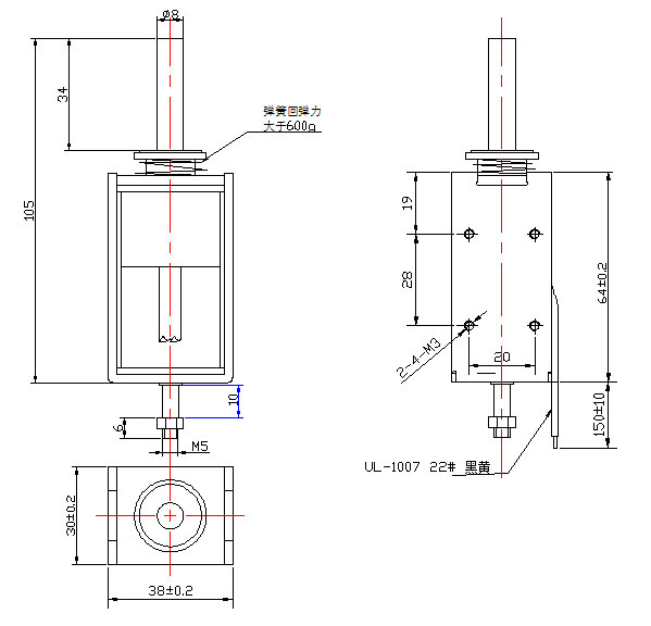
| 电压: | DC24 | 行程: | 10mm | 电阻: | 32欧 | 功率: | 通电10min断1s |
| 耐温: | 155度 | 寿命: | 50万次 | 耐电压: | 1500V | 初始力: | 600G |
| 电流: | 通电率: | 弹簧回力: | 600g | 吸力: | 6N |
电梯安全装置触发联系我们产品详情
电梯安全装置制动联系我们-SDL-U1564
此款联系我们弹簧回弹力度600g,克服弹簧力度,长时间通电,联系我们发热能够顺利吸合,提供2H,4H,8H,16H,24H,48H联系我们
产品亮点:长时间通电,运动顺畅,最低吸合电压可为20V(温度稳定后)


广州思德隆电子有限公司()创立于2005年,是一家专业生产研发联系我们,电磁阀,买球官网手机版·(中国)官方网站,小型联系我们等各类电磁产品,拥有丰富行业经验的广州联系我们厂家、广州电磁阀厂家、广州买球官网手机版·(中国)官方网站厂家。品种多样,规格齐全,产品从零部件到成品组装均有自己的加工设备以及流水线,拥有高精密度检测仪器和自主研发的老化设备,电梯安全装置制动联系我们从产品设计到样品以及量产,均有量化高效的工艺流程及老化实验检测,保证了产品的质量与订单的按时交货。
关键词:制动联系我们,电梯安全装置联系我们,电梯安全制动联系我们






